STA(Static Timing Analysis) is an electronic design automation method/technology tool that can report critical paths, each of which is characterized by a transition at each node along the path, when applied to a digital circuit. STA is a method of validating the timing performance of a design by checking all possible paths for timing violations.
As the size and complexity of IC's continue to grow, a large amount of STA time will reduce the efficiency of a VLSI design flow. By employing multi-core computers, a parallel STA may be one of the best ways for achieving greater speed and higher accuracy. How to balance the communication overhead and computation loading among the cores will be the challenge in this case.
STA Tools are used by designers to determine whether the timing requirements of a design are met. STA has a well-known false path problem. This contest problem is to design an STA program for combinational logic circuits under a multi-core computing environment. The input of an STA program is a Verilog gate-level netlist whereas the output will be a list of true paths.
Several benchmarks will be given to verify your program. Though a parallel STA is illustrated, you can still use Floating-mode inside your program as long as the correctness of the program is guaranteed.
Note that an STA program is designed only for combinational logic circuits. Don’t waste your time optimizing your program for sequential circuits
The goal is to develop an efficient STA program to find the true paths under a given multi-core computing environment. A so-designed STA program should have the ability to handle Floating-mode in combinational logic circuits. An evaluation set consisting of several benchmarks is provided for verifying your program. A benchmark is a combinational logic circuit in the form of a Verilog gate-level netlist. For each benchmark, your program must find true paths under the predefined slack constraints shown in Table 4-1 and Table 4-2. Run-time spent for each benchmark will be also used for grading your work. You will have a better grade if the run time is less.
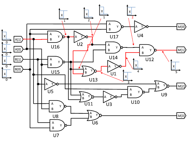
Fig.1
Graph model for delay through a combinational circuit.
When building the graph of Figure 1, we assume that some standard driver charges or discharges the input’s wire load capacitance and a standard capacitive load is attached to each output. To change the value at only one input and determine how long it takes for the effect to be propagated to a single output. Of course, there must be a path from the selected input to the output. That delay can be found by summing the delays along all the edges and nodes on the path from the input to the output. Assume the node delay (gate delay) is 1ns. In Figure1, the path from B[0] to M[1] has two edges and one node with a total delay of 6ns. In order to simply this problem, the edge (wire) delay is set to zero. the node (gate) delay is set to 1ns, and all nodes are nand/nor/not logic gate.
Fig.2
Boolean gates creating true delay path.
The upper input of the NAND gate goes low first in Figure 2, followed by the lower input. Either input going low causes the NAND’s output to go high. However, after the upper input has changed, the high-to-low transition of the lower input doesn’t affect the gate’s output. The path through the upper input is a true path. Even if the false path is longer than any true path, it won’t determine the network’s combinational delay because the transitions along that path don’t cause the primary outputs of a network to change.
A path is true if you can find an input vector that sensitizes the path. i.e. a change of value at an input should propagate through the path to its output. Sensitization is determined using Floating-mode delay, in which all nodes are assumed to be in an unknown state before the application of an input vector.
The sensitization criteria for each gate on a path are as follows:
Fig.3
Controlling Values pf an AND gate
Fig.4
Non-controlling value of an AND gate
Note: T means true path, and F means false path.
| NAND2 | NOR2 | NAND2 | NOR2 | ||||
| a | ![]() |
T | T | a | ![]() |
T | F |
| b | ![]() |
T | T | b | ![]() |
F | T |
| NAND2 | NOR2 | NAND2 | NOR2 | ||||
| a | ![]() |
F | T | a | ![]() |
T | T |
| b | ![]() |
T | F | b | ![]() |
T | T |
Table 1-1 The true and false path of a logic gate when inputs arrive simultaneously.
| NAND2 | NOR2 | NAND2 | NOR2 | ||||
| a | ![]() |
F | T | a | ![]() |
T | F |
| b | ![]() |
T | F | b | ![]() |
F | T |
| NAND2 | NOR2 | NAND2 | NOR2 | ||||
| a | ![]() |
F | T | a | ![]() |
T | F |
| b | ![]() |
T | F | b | ![]() |
F | T |
Table 1-2 The true and false path of a logic gate when input a arrived faster than input b.
| NAND2 | NOR2 | NAND2 | NOR2 | ||||
| a | ![]() |
T | F | a | ![]() |
T | F |
| b | ![]() |
F | T | b | ![]() |
F | T |
| NAND2 | NOR2 | NAND2 | NOR2 | ||||
| a | ![]() |
F | T | a | ![]() |
F | T |
| b | ![]() |
T | F | b | ![]() |
T | F |
Table 1-3 The true and false path of a logic gate when input b arrived faster than input a.
| NOT1 | ||
| a | ![]() |
T |
| a | ![]() |
T |
Table 1-4 The true and false path of buf1 and not1 gates
The input files contain a Verilog gate-level netlist and its associated Verilog model.
Verilog model is a structural model composed of Verilog primitive gates without timing information. The following shows an example.
module NAND2(Y, A, B);
input A, B;
output Y;
nand(Y, A, B);
endmodule
module NOR2 (Y, A, B);
output Y;
input A, B;
nor (Y, A, B);
endmodule
module NOT1 (Y, A);
output Y;
input A;
not I0(Y, A);
endmodule
Figure 5:An example of Verilog model
The following shows an example of a network of logic gate.
module mul2 ( M, A, B );
output [3:0] M;
input [1:0] A;
input [1:0] B;
wire n1, n2, n3, n5, n6, n7, n8, n9, n10, n11, n12, n13, n14;
NOT1 U1 ( .A(n13), .Y(n1) );
NOT1 U2 ( .A(n11), .Y(n2) );
NOT1 U3 ( .A(n9), .Y(n3) );
NOT1 U4 ( .A(n14), .Y(M[0]) );
NOT1 U5 ( .A(B[1]), .Y(n5) );
NOR2 U6 ( .A(n6), .B(n7), .Y(M[3]) );
NAND2 U7 ( .A(B[1]), .B(B[0]), .Y(n7) );
NAND2 U8 ( .A(A[1]), .B(A[0]), .Y(n6) );
NOR2 U9 ( .A(n5), .B(n8), .Y(M[2]) );
NAND2 U10 ( .A(A[1]), .B(n3), .Y(n8) );
NOR2 U11 ( .A(n10), .B(n11), .Y(n9) );
NAND2 U12 ( .A(n12), .B(n1), .Y(M[1]) );
NOR2 U13 ( .A(n10), .B(n2), .Y(n13) );
NAND2 U14 ( .A(n2), .B(n10), .Y(n12) );
NAND2 U15 ( .A(B[1]), .B(A[0]), .Y(n10) );
NAND2 U16 ( .A(B[0]), .B(A[1]), .Y(n11) );
NAND2 U17 ( .A(A[0]), .B(B[0]), .Y(n14) );
endmodule
Figure 6:An example of Verilog gate-level netlist -2 bits multiplier
The outputs of your program are the true paths packed in a single true path set file for the specific test case. The true path set file is a file listed all true paths, the input vector for justifying the true path, and the results of STA for a specific case. The format of the true path set file must be the same with the example shown in Figure 7 and the result can be verified by the program provided by CIC. Note: the gate and path delay must be an integer number.
Header { A True Path Set }
Benchmark { case1 }
Path { 1 }
A True Path List
{
---------------------------------------------------------------------------
Pin type Incr Path delay
---------------------------------------------------------------------------
A[1] (in) 0 0 f
U16/B (NAND2) 0 0 f
U16/Y (NAND2) 1 1 r
U2/A (NOT1) 0 1 r
U2/Y (NOT1) 1 2 f
U13/B (NOR2) 0 2 f
U13/Y (NOR2) 1 3 r
U1/A (NOT1) 0 3 r
U1/Y (NOT1) 1 4 f
U12/B (NAND2) 0 4 f
U12/Y (NAND2) 1 5 r
M[1] (out) 0 5 r
--------------------------------------------------------------------------
Data Required Time 10
Data Arrival Time 5
--------------------------------------------------------------------------
Slack 5
}
Input Vector
{
A[0] = 1
A[1] = f
B[0] = 1
B[1] = 1
}
Path { 2 }
A True Path List
{
---------------------------------------------------------------------------
Pin type Incr Path delay
---------------------------------------------------------------------------
A[0] (in) 0 0 r
U17/A (NAND2) 0 0 r
U17/Y (NAND2) 1 1 f
U4/A (NOT1) 0 1 f
U4/Y (NOT1) 1 2 r
M[0] (out) 0 2 r
--------------------------------------------------------------------------
Data Required Time 10
Data Arrival Time 2
--------------------------------------------------------------------------
Slack 8
}
Input Vector
{
A[0] = r
A[1] = 1
B[0] = 1
B[1] = 1
}
Path { 3 }
A True Path List
{
---------------------------------------------------------------------------
Pin type Incr Path delay
---------------------------------------------------------------------------
B[1] (in) 0 0 r
U7/A (NAND2) 0 0 r
U7/Y (NAND2) 1 1 f
U6/B (NOR2) 0 1 f
U6/Y (NOR2) 1 2 r
M[3] (out) 0 2 r
--------------------------------------------------------------------------
Data Required Time 10
Data Arrival Time 2
--------------------------------------------------------------------------
Slack 8
}
{
A[0] = 1
A[1] = 1
B[0] = 1
B[1] = r
}
...
}
Figure 7:True path set of 2-bit multiplier shown in Figure 6.
This block is kept the same as the string “A True Path Set” for all test cases.
This block gives the name of the running case.
This block gives a number for indicating that the following true path is the $n^{th}$ one. The number should be in order.
This block displays a true path and the STA result for the path. The first column is labeled “Pin”. The “Pin” column lists the pins of the logic gates in the true path. The order of pins from top to bottom stars from an input port and ends at an output port. The second column lists the types of the gates whose pins are listed in the first column. If a pin is a primary input/output, the types should be the keyword “(in)”/”(out)”. For example, in the true path list of path1 in the Figure 7, A[0] is a primary input, so its type is (in). U10/A is an input pin of NAND2 gate U10, so its type is NAND2. Otherwise, the input and output pins of a gate must be listed. The third column lists the incremental delay when a signal propagates through the pin of the gate listed in the first column. The forth column lists delay of a signal propagates from a primary input to the pin of the gate. The last column shows where a signal is rising (denoted by r) or falling (denoted by f) when the signal propagates through the pin of gate. Data Required Time gives the timing constraint of the case. Data Arrival Time is the delay time that a signal propagates from the primary input to the primary output. Slack is obtained by Data Required Time minus Data Arrival Time.
This block specifies the input vector for a true path justification. The true path should be justified by the vector.
In the true path set file, you must obey the following rules or you will get no score for the test case:
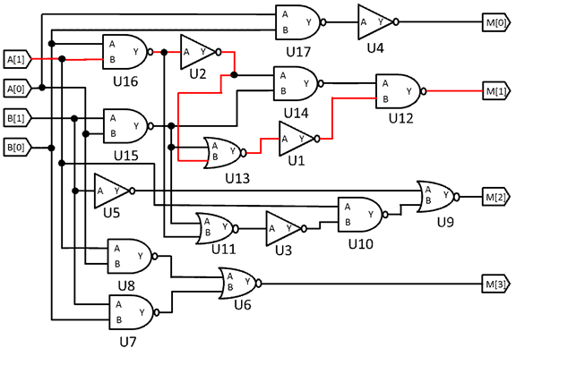
We use the 2-bit multiplier as an example to illustrate briefly the operation of true path detection. First, the gate level netlist shown in Figure 5 and Figure 6 is used to create the schematic of design (as shown in Figure 8). Second, find all paths in this design that their slacks are smaller than the hard constraints defined in Table 4-1 and Table 4-2. In this example the timing constraint is 10ns and the hard slack constraint is 7ns. The wire delay is 0ns and the delay of every gate is 1ns. There are 40 paths in this example, but only 20 paths (path 1 to 20) meet the hard slack constraint as shown in Table 2. Third, remove the paths which didn’t meet the hard slack constraint as shown in Table 3. Fourth, pick up a path one by one from the path list to generate input vector by running the true path detection algorithm with floating mode simulation to justify whether the path is true or not. In this example, 16 of the 20 paths are true paths. The format of the true path set was shown in Figure 7. There are only 3 of 16 true paths shown in Figure 7.
Note: The slack of the paths must meet the slack constraint in Table 4-1 and Table 4-2 or you will get no score in this case.
As the definition of floating mode, we provide an example as shown in Figure 9. In this example, the input pattern and red path is the path 1 in Figure 7. The listed path is a falling path, so the signal in the primary input A[1] is “f”. Then the signal passed to the input of the NAND gate U16. The signal passed from U16/B to U16/Y will be inverted. So the signal in U16/Y is “r”, and so on. For another example, the last gate of the path 1 is an NOR gate U12. The signal in the input of U12/A is falling “f”. Because the U12 is an NAND gate, the signal passed from U12/A to U12/Y will be inverted. Therefore, the signal in U4/Y is “r”.
Fig.8
Schematic of example design.
Fig.9
An example for floating mode simulation
| Path# | Slack | Path Type | Path List |
| 1 | 5 | r | B[0]→U16/A→U16/Y→U2/A→U2/Y→U13/B→U13/Y→U1/A→U1/Y→U12/A→U12/Y→ M[1] |
| 2 | 5 | f | B[0]→U16/A→U16/Y→U2/A→U2/Y→U13/B→U13/Y→U1/A→U1/Y→U12/A→U12/Y→ M[1] |
| 3 | 5 | r | A[1]→U16/B→U16/Y→U2/A→U2/Y→U13/B→U13/Y→U1/A→U1/Y→U12/A→U12/Y→ M[1] |
| 4 | 5 | f | A[1]→U16/B→U16/Y→U2/A→U2/Y→U13/B→U13/Y→U1/A→U1/Y→U12/A→U12/Y→ M[1] |
| 5 | 5 | r | B[1]→U15/A→U15/Y→U11/A→U11/Y→U3/A→U3/Y→U10/B→U10/Y→U9/B→U9/Y→ M[2] |
| 6 | 5 | f | B[1]→U15/A→U15/Y→U11/A→U11/Y→U3/A→U3/Y→U10/B→U10/Y→U9/B→U9/Y→ M[2] |
| 7 | 5 | r | A[0]→U15/B→U15/Y→U11/A→U11/Y→U3/A→U3/Y→U10/B→U10/Y→U9/B→U9/Y→ M[2] |
| 8 | 5 | f | A[0]→U15/B→U15/Y→U11/A→U11/Y→U3/A→U3/Y→U10/B→U10/Y→U9/B→U9/Y→ M[2] |
| 9 | 5 | r | B[0]→U16/A→U16/Y→U11/B→U11/Y→U3/A→U3/Y→U10/B→U10/Y→U9/B→U9/Y→ M[2] |
| 10 | 5 | f | B[0]→U16/A→U16/Y→U11/B→U11/Y→U3/A→U3/Y→U10/B→U10/Y→U9/B→U9/Y→ M[2] |
| 11 | 5 | r | A[1]→U16/B→U16/Y→U11/B→U11/Y→U3/A→U3/Y→U10/B→U10/Y→U9/B→U9/Y→ M[2] |
| 12 | 5 | f | A[1]→U16/B→U16/Y→U11/B→U11/Y→U3/A→U3/Y→U10/B→U10/Y→U9/B→U9/Y→ M[2] |
| 13 | 6 | r | B[0]→U16/A→U16/Y→U2/A→U2/Y→U14/A→U14/Y→U12/A→U12/Y→ M[1] |
| 14 | 6 | f | B[0]→U16/A→U16/Y→U2/A→U2/Y→U14/A→U14/Y→U12/A→U12/Y→ M[1] |
| 15 | 6 | r | A[1]→U16/B→U16/Y→U2/A→U2/Y→U14/A→U14/Y→U12/A→U12/Y→ M[1] |
| 16 | 6 | f | A[1]→U16/B→U16/Y→U2/A→U2/Y→U14/A→U14/Y→U12/A→U12/Y→ M[1] |
| 17 | 6 | r | B[1]→U15/A→U15/Y→U13/A→U13/Y→U1/A→U1/Y→U12/B→U12/Y→ M[1] |
| 18 | 6 | f | B[1]→U15/A→U15/Y→U13/A→U13/Y→U1/A→U1/Y→U12/B→U12/Y→ M[1] |
| 19 | 6 | r | A[0]→U15/B→U15/Y→U13/A→U13/Y→U1/A→U1/Y→U12/B→U12/Y→ M[1] |
| 20 | 6 | f | A[0]→U15/B→U15/Y→U13/A→U13/Y→U1/A→U1/Y→U12/B→U12/Y→ M[1] |
| 21 | 7 | r | B[1]→U15/A→U15/Y→U2/A→U2/Y→U14/A→U14/Y→U12/A→U12/Y→ M[1] |
| 22 | 7 | f | B[1]→U15/A→U15/Y→U2/A→U2/Y→U14/A→U14/Y→U12/A→U12/Y→ M[1] |
| 23 | 7 | r | A[0]→U15/B→U15/Y→U2/A→U2/Y→U14/A→U14/Y→U12/A→U12/Y→ M[1] |
| 24 | 7 | f | A[0]→U15/B→U15/Y→U2/A→U2/Y→U14/A→U14/Y→U12/A→U12/Y→ M[1] |
| 25 | 8 | r | A[0]→U17/A→U17/Y→U4/A→U4/Y→ M[0] |
| 26 | 8 | f | A[0]→U17/A→U17/Y→U4/A→U4/Y→ M[0] |
| 27 | 8 | r | B[0]→U17/B→U17/Y→U4/A→U4/Y→ M[0] |
| 28 | 8 | f | B[0]→U17/B→U17/Y→U4/A→U4/Y→ M[0] |
| 29 | 8 | r | B[1]→U5/A→U5/Y→U9/A→U9/Y→ M[2] |
| 30 | 8 | f | B[1]→U5/A→U5/Y→U9/A→U9/Y→ M[2] |
| 31 | 8 | r | A[1]→U10/A→U10/Y→U9/B→U9/Y→ M[2] |
| 32 | 8 | f | A[1]→U10/A→U10/Y→U9/B→U9/Y→ M[2] |
| 33 | 8 | r | A[1]→U8/A→U8/Y→U6/A→U6/Y→ M[3] |
| 34 | 8 | f | A[1]→U8/A→U8/Y→U6/A→U6/Y→ M[3] |
| 35 | 8 | r | A[0]→U8/B→U8/Y→U6/A→U6/Y→ M[3] |
| 36 | 8 | f | A[0]→U8/B→U8/Y→U6/A→U6/Y→ M[3] |
| 37 | 8 | r | B[1]→U7/A→U7/Y→U6/B→U6/Y→ M[3] |
| 38 | 8 | f | B[1]→U7/A→U7/Y→U6/B→U6/Y→ M[3] |
| 39 | 8 | r | B[0]→U7/B→U7/Y→U6/B→U6/Y→ M[3] |
| 40 | 8 | f | B[0]→U7/B→U7/Y→U6/B→U6/Y→ M[3] |
Table 2: All paths list of example design.
| Path# | Slack | Path Type | Path List |
| 1 | 5 | r | B[0]→U16/A→U16/Y→U2/A→U2/Y→U13/B→U13/Y→U1/A→U1/Y→U12/A→U12/Y→ M[1] |
| 2 | 5 | f | B[0]→U16/A→U16/Y→U2/A→U2/Y→U13/B→U13/Y→U1/A→U1/Y→U12/A→U12/Y→ M[1] |
| 3 | 5 | r | A[1]→U16/B→U16/Y→U2/A→U2/Y→U13/B→U13/Y→U1/A→U1/Y→U12/A→U12/Y→ M[1] |
| 4 | 5 | f | B[1]→U15/A→U15/Y→U11/A→U11/Y→U3/A→U3/Y→U10/B→U10/Y→U9/B→U9/Y→ M[2] |
| 5 | 5 | r | B[1]→U15/A→U15/Y→U11/A→U11/Y→U3/A→U3/Y→U10/B→U10/Y→U9/B→U9/Y→ M[2] |
| 6 | 5 | f | B[1]→U15/A→U15/Y→U11/A→U11/Y→U3/A→U3/Y→U10/B→U10/Y→U9/B→U9/Y→ M[2] |
| 7 | 5 | r | A[0]→U15/B→U15/Y→U11/A→U11/Y→U3/A→U3/Y→U10/B→U10/Y→U9/B→U9/Y→ M[2] |
| 8 | 5 | f | A[0]→U15/B→U15/Y→U11/A→U11/Y→U3/A→U3/Y→U10/B→U10/Y→U9/B→U9/Y→ M[2] |
| 9 | 5 | r | B[0]→U16/A→U16/Y→U11/B→U11/Y→U3/A→U3/Y→U10/B→U10/Y→U9/B→U9/Y→ M[2] |
| 10 | 5 | f | B[0]→U16/A→U16/Y→U11/B→U11/Y→U3/A→U3/Y→U10/B→U10/Y→U9/B→U9/Y→ M[2] |
| 11 | 6 | r | A[1]→U16/B→U16/Y→U11/B→U11/Y→U3/A→U3/Y→U10/B→U10/Y→U9/B→U9/Y→ M[2] |
| 12 | 5 | f | A[1]→U16/B→U16/Y→U11/B→U11/Y→U3/A→U3/Y→U10/B→U10/Y→U9/B→U9/Y→ M[2] |
| 13 | 6 | r | B[0]→U16/A→U16/Y→U2/A→U2/Y→U14/A→U14/Y→U12/A→U12/Y→ M[1] |
| 14 | 6 | f | B[0]→U16/A→U16/Y→U2/A→U2/Y→U14/A→U14/Y→U12/A→U12/Y→ M[1] |
| 15 | 6 | r | A[1]→U16/B→U16/Y→U2/A→U2/Y→U14/A→U14/Y→U12/A→U12/Y→ M[1] |
| 16 | 6 | f | A[1]→U16/B→U16/Y→U2/A→U2/Y→U14/A→U14/Y→U12/A→U12/Y→ M[1] |
| 17 | 6 | r | B[1]→U15/A→U15/Y→U13/A→U13/Y→U1/A→U1/Y→U12/B→U12/Y→ M[1] |
| 18 | 6 | f | B[1]→U15/A→U15/Y→U13/A→U13/Y→U1/A→U1/Y→U12/B→U12/Y→ M[1] |
| 19 | 6 | r | A[0]→U15/B→U15/Y→U13/A→U13/Y→U1/A→U1/Y→U12/B→U12/Y→ M[1] |
| 20 | 6 | f | A[0]→U15/B→U15/Y→U13/A→U13/Y→U1/A→U1/Y→U12/B→U12/Y→ M[1] |
Table 3: The paths meet the hard slack constrain.
A two stages evaluation will be performed for grading in all benchmarks/cases include of public and private benchmarks. The first stage is correctness evaluation. The second stage is performance evaluation. The performance metric is simply the run time. The detailed information of each evaluation is described below.
You have to guarantee the correctness of program compiling and running.
The procedures for checking the correctness of program compiling are as follows.
The procedures for checking the correctness of program running are as follows.
make run_case1
(a) The content of “run_sta1” script
make run_case2
(a) The content of “run_sta2” script
make run_case3
(a) The content of “run_sta3” script
make run_case4
(a) The content of “run_sta4” script
make run_case5
(a) The content of “run_sta5” script
Figure 10:The content of scripts for all the test cases.
| Gate Numbers | Input Numbers | Output Numbers | Timing Constratint | Slack Constraint | |
| case1 | 1145 | 20 | 20 | 45 | 4 |
| case2 | 413 | 60 | 26 | 43 | 10 |
| case3 | 95 | 8 | 9 | 31 | 6 |
| case4 | 276 | 41 | 21 | 45 | 6 |
| case5 | 127389 | 64 | 32 | 47 | 10 |
Table 4-1: Public Benchmarks.
| Gate Numbers | Input Numbers | Output Numbers | Timing Constratint | Slack Constraint | |
| case1 | 1262 | 24 | 23 | 44 | 5 |
| case2 | 787 | 20 | 19 | 42 | 8 |
| case3 | 2121 | 207 | 108 | 31 | 8 |
Table 4-2: Private Benchmarks
The performance metric is simply the total run time for all benchmarks/cases include of public and private benchmarks. Run-time is defined as the execution time of the given “run_sta1” to “run_sta5” script or "make run_case1" to "make run_case5", which is obtained by UNIX command “time.” The performance evaluation is done in Procedure (2) for checking the correctness of program running. You will get a better grade if total run-time is less.
First, we classify the evaluation result into eight grades according to the number of test cases whose ture paths are correctly listed or the number of true path is the largest. Grade 8 is better than the Grade7; Grade7 is better than Grade6 and so on.
The formula for evaluating a result is as follows:
N = the number of true paths correctly found
R = CPU run time(in second)
But, basically we will terminate the test if each program runs over 2 hours. The run time will be evaluated from the “time” program.
S = $\frac{R}{N^3}$
For all test cases, the S will be normalized to calculate the score.
S will be normalized to get S’.
Total score = sum S’ of all benchmarks/cases. (Include of public and private benchmarks)
If the total score is less you will have a better grade.
We use S’ to explain the normalization
S’ = $\frac{S}{S_{min}}$ ($S_{min}$ is the minimum S of all team in the test case)
Assume there are five teams A, B, C, D and E. Their results are shown in Table 5-1. The case1 to case5 are public benchmarks and case6 to case7 are private benchmarks. The results of the score normalization are as shown in Table 5-2.
| Team | Rusults | Public Benchmarks | Private Benchmarks | ||||||||
| case1 | case2 | case3 | case4 | case5 | case1 | case2 | |||||
| A | True paths number | 100 | 70 | 60 | 80 | 40 | 80 | 50 | |||
| Run-time(s) | 180 | 120 | 150 | 90 | 70 | 60 | 90 | ||||
| B | True paths number | 115 | 40 | 80 | 55 | 90 | 75 | 60 | |||
| Run-time(s) | 200 | 90 | 170 | 120 | 180 | 100 | 110 | ||||
| C | True paths number | 0 | 40 | 0 | 0 | 50 | 0 | 0 | |||
| Run-time(s) | 60 | 60 | |||||||||
| D | True paths number | 0 | 55 | 60 | 65 | 70 | 50 | 40 | |||
| Run-time(s) | 200 | 250 | 180 | 300 | 200 | 180 | |||||
| E | True paths number | 120 | 0 | 50 | 75 | 60 | 0 | 60 | |||
| Run-time(s) | 90 | 120 | 80 | 60 | 90 | ||||||
Table 5-1 Number of true paths and run-time
| A | B | C | D | E | |||
| Public Benchmarks | case1 | S | 0.00018 | 0.00013 | N/A | N/A | 0.00005 |
| S' | 3.60000 | 2.60000 | N/A | N/A | 1 | ||
| case2 | S | 0.00035 | 0.00140 | 0.00094 | 0.00120 | N/A | |
| S' | 1 | 4 | 2.68571 | 3.42857 | N/A | ||
| case3 | S | 0.00069 | 0.00033 | N/A | 0.00116 | 0.00096 | |
| S' | 2.09090 | 1 | N/A | 3.51515 | 2.90909 | ||
| case4 | S | 0.00018 | 0.00072 | N/A | 0.00066 | 0.00019 | |
| S' | 1 | 4 | N/A | 3.66667 | 1.05556 | ||
| case5 | S | 0.00109 | 0.00025 | 0.00048 | 0.00088 | 0.00028 | |
| S' | 4.36000 | 1 | 1.92000 | 3.52000 | 1.12000 | ||
| Private Benchmarks | case6 | S | 0.00012 | 0.00024 | N/A | 0.00160 | N/A |
| S' | 1 | 2 | N/A | 13.3333 | N/A | ||
| case7 | S' | 0.00072 | 0.00051 | N/A | 0.00281 | 0.00042 | |
| S' | 1.71429 | 1.21429 | N/A | 6.69048 | 1 | ||
| case8 | S' | N/A | N/A | N/A | 0.025 | N/A | |
| S' | N/A | N/A | N/A | 1 | N/A |
Table 5-2 The results of the score normalization.
Team A and B are Grade1, D is Grade2, E is Grade3 and C is Grade6.
Total score A = 3.60000+1+2.09090+1+4.36000+1+1.71429 = 10.40519
Total score B = 15.81429
Total score C = 4.60571
Total score D = 28.46369
Total score E = 7.08465
The first place is Team A; the second place is Team B; the third place is Team D; the fourth place is Team E and last place is Team C.
Icarus is a free Verilog simulation and synthesis tool. The source codes are available at http://icarus.com/eda/verilog
VBS is another free Verilog behavioral simulator. The source codes are available at http://www.geda.seul.org/index.html
IEEE std 1364-1995
http://ieeexplore.ieee.org/stamp/stamp.jsp?tp=&arnumber=803556&isnumber=12005&tag=1
The following procedure is used to the verification and justification program.
Decompress the file ProblemD_case.tar. There is one directory in your root directory, PD_case. Under it, there are five directories, case1, case2, case3, case4 and case5. Under these directories, there are four directories, input, output, tmp and true_path directories.
For example, if the user would check test case1. Please put path set files, case1_true_path_set in true_path directory. Under the true_path of case1 directory, key in "Verify case1_true_path_set" for case1 true path set verification. Verification results will be reported in the case1.verify.rpt in output of case1 directory. If you pass the verification, the key word "pass" will be reported in the case1.verify.rpt.
Using the program provided by CIC to justify the true paths listed in the true path set files for all the test cases. In the true_path of case1 directory, under the command prompt, key in "Justify case1_true_path_set" for case1 true paths justification. Justification results will be reported in the case1.justify.rpt in output of case1 directory.



